Opel Vivaro Adaptateur Tuning pour système de freinage Porsche à 4 pistons avec disques de frein 350x32 (071654)
Tu veux passer à un système de freinage plus grand, mais tu ne trouves pas la possibilité d'adapter le système de ton choix ou tu ne sais pas si c'est possible ?
Tu découvriras ici comment nous pouvons t'aider ! Je voudrais te raconter l'histoire de notre client Dietmar, que nous avons pu aider à conduire le système de freinage de son choix grâce à nos adaptateurs :) Désormais, Dietmar utilise un système de freinage Porsche complet à 4 pistons avec des disques de 350x32 sur son Opel Vivaro.
Planification
Conversion en étrier Porsche à 4 pistons avec disques de frein 350x32 ainsi que des conduites flexibles en acier, sur une Opel Vivaro.
Dietmar nous a contactés pour savoir si nous pouvions l'aider dans sa conversion.
Il nous a fait part des composants exacts qu'il souhaitait installer. Peu de temps après, il était clair que nous pouvions soutenir Dietmar dans son projet et que rien ne s'opposait à son idée d'utiliser des étriers de frein Porsche à 4 pistons.
Comme Dietmar possède lui-même un atelier de réparation automobile, il n'a eu aucun mal (ce n'est vraiment pas sorcier !) à déterminer les dimensions dont nous avions besoin pour fabriquer l'adaptateur.
Une fois cela fait, plus rien ne s'opposait à l'ensemble du projet
Au cours de la discussion, il est apparu qu'il serait judicieux de passer à des conduites flexibles en acier dans le cadre de la transformation, car elles sont tout simplement meilleures et plus durables.
Dietmar a accepté et a commandé deux conduites de frein en acier flexible sur mesure.
 Cliquez ici pour accéder directement à notre configurateur de conduites de frein en acier flexible.
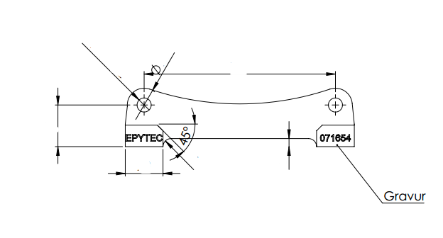
Le croquis :
CAD-Dessin
Après avoir reçu le croquis (notre feuille de mesures) de l'Opel Vivaro de Dietmar, notre dessinateur technique Julian a repris le projet dans le programme CAO afin de pouvoir configurer l'imprimante 3D.
 
                                                            Modèle en 3-D
Nous avons ensuite pu lancer la fabrication du modèle 3D et l'envoyer directement en Autriche pour un test de montage.
Après quelques jours, Dietmar nous a donné le "go" pour le fraisage des adaptateurs de réglage, car le modèle 3D était parfaitement adapté.
Montage et Test
 
                                                            Comme la collaboration s'est si bien passée, Didi's Autoecke est désormais notre partenaire officiel pour l'enregistrement, n'hésitez donc pas à lui rendre visite si vous avez des questions. Nous nous réjouissons de réaliser d'autres super projets ensemble :)
Inh. Dietmar Weiß Zöbing 81/1 A-8322 Studenzen
Tel.          +43/3115/4908 
Fax           +43/3115/49080 
Mobil:     +43/664/3206053 
Email:      office@didisautoecke.at 
Web:       www.didisautoecke.at
Nous t'aidons aussi à trouver ta solution individuelle
Tu souhaites avoir la même combinaison de freins pour l'Opel Vivaro ? Dans ce cas, envoie-nous un message via notre formulaire de contact avec la référence (071654) et nous te ferons parvenir une offre pour ta fabrication spéciale.
 
                                                                         
     
         
											
																																													
										 
                             
                             
                             
                             
                            