Conversion Audi Urquattro type 85 sur les étriers de frein Audi TTRS RS3 à 4 pistons avec le disque de frein Mercedes GLA 250 320x30mm.
Le souhait / problème du client :
Notre client Florian souhaite monter les composants suivants sur l'essieu avant de son Audi Urquattro type 85 :
- Audi TTRS RS3 4-piston étriers de frein (8J0 615 107 / 8J0 615 108)
- Mercedes GLA 250 320x30mm Disque de frein (246 421 2712)
 
                                                            
Notre réalisation / solution :
- Notre client Florian a commandé via notre configurateur d'étriers de frein. Tu découvriras ici comment parvenir étape par étape à ta fabrication spéciale.
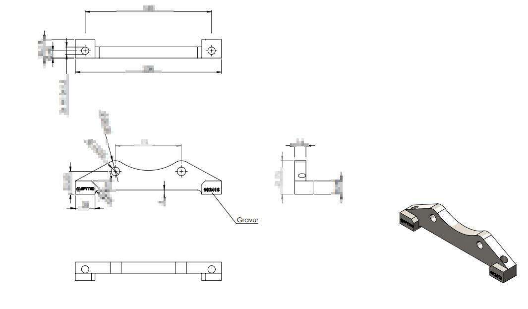
- Sur la base des dimensions saisies, un prototype est créé avec notre imprimante 3D. Cela permet à Florian d'économiser l'argent d'un dessin CAD.
 
                                                            Prototypage en 3D
Le prototype final est envoyé au préalable à Florian pour qu'il puisse tester si tout est parfaitement ajusté et si le système de freinage convient à l'Audi Urquattro. Florian nous a dit que 1 ou 2 petites modifications devaient être apportées à l'adaptateur de réglage pour que tout soit adapté à 100%. 
Nous travaillons toujours avec un modèle 3D au préalable, car il arrive toujours que certaines dimensions et conditions ne puissent pas être prises en compte au préalable sur l'adaptateur de tuning. Grâce au modèle 3D, nous pouvons être sûrs que tout est adapté.
                                         
                                                            Fabrication
Après avoir reçu l'autorisation de Florian, nous fraisons l'adaptateur de frein tuning pour l'Audi Urquattro pour qu'il soit parfaitement adapté. Il est ensuite envoyé chez l'affineur de surface.
 
                                                            Montage et Test
L'adaptateur de frein tuning nous est revenu de l'entreprise de traitement de surface et a été envoyé directement à Florian.
 
                                                            Nous t'aidons aussi à trouver ta solution individuelle
Si, comme Florian tu souhaites que nous réalisions une conversion de ton système de freinage selon tes souhaits, n'hésite pas à nous contacter vianotre formulaire de contact et nous t'aiderons à réaliser ton rêve de conversion. Grâce à notre expérience de plus de 15 ans dans la fabrication de pièces de tuning, nous pouvons réaliser ta conversion rapidement et à moindre coût. Nous nous réjouissons de ta demande ! 
Tu souhaites avoir la même combinaison de freins pour la  Audi Urquattro Typ 85 ? Dans ce cas, envoie-nous un message via notre formulaire de contact avec la référence (092416) nous te ferons parvenir une offre pour ta fabrication spéciale.
                                         
                                                                         
     
         
											
																																													
										 
                             
                             
                             
                             
                            