Alfa Romeo Alfasud Sprint groupe H transformation sur l'étrier de frein AP Racing CP8350 à 4 pistons avec le disque de frein Tarox C83 304x25,4mm.
La demande du client / le problème :
Notre client Alfred souhaite monter sur son Alfa Romeo Alfasud Sprint groupe H le système de freinage suivant avec ces composants sur son essieu avant :
- Tarox C83 Disque de frein 304x25,4mm (anneaux de friction flottants, avec pots en aluminium)
- 4-piston Étrier de frein AP Racing CP8350
Comme le frein, qui est monté de série à l'intérieur de la boîte de vitesses (traction avant, moteur et boîte de vitesses montés longitudinalement), est dirigé vers la roue, les bras transversaux de série sont remplacés par des bras tubulaires réglables en chrome-molybdène avec des articulations Uniball. De plus, les moyeux de roue et les arbres de transmission de l'Alfa Romeo 33 doivent être utilisés.
Les jantes prévues sont des NTM F308 en trois parties en 8x15 pour les slicks et des ATS DTC en une partie en 8x15 pour les pneus pluie.
Situation de base :



Notre mise en œuvre / solution par notre configurateur d'étriers de frein :
- Dans notre configurateur d'étriers de frein, tu apprendras comment arriver étape par étape à ta fabrication spéciale.
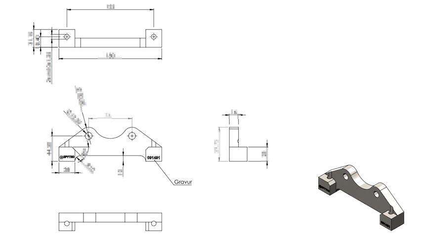
- Sur la base des dimensions saisies, un prototype est créé avec notre imprimante 3D. Cela permet à Alfred d'économiser l'argent d'un dessin CAD.

Prototypage en 3D
Le prototype final est envoyé au préalable à Alfred afin de tester si tout est parfaitement adapté et si le système de freinage convient à l'Alfa Romeo Alfasud Sprint Gruppe H. Alfred nous a dit que 1 ou 2 petites modifications devaient être apportées à l'adaptateur de réglage pour que tout s'adapte à 100%.
"Bonjour, j'ai reçu le modèle de test 3D pour mon adaptateur d'étrier de frein et je l'ai essayé. Trois choses ont empêché un montage correct :
1.les trous de passage G1 n'étaient que de 10 mm. J'ai dû les percer à 12,2 mm. (photos)
2. les filetages G2 étaient légèrement trop grands sur le modèle de test. Il faut ici M10x1,25 !
3. les plaquettes de frein sont en contact avec l'adaptateur aux endroits indiqués sur la photo. Une petite entaille est nécessaire à cet endroit, une profondeur de 2 mm suffirait. (photo).
Tout le reste devrait convenir. Merci beaucoup pour l'envoi du modèle de test. Je comprends maintenant son importance".
Nous travaillons toujours avec un modèle 3D au préalable, car il arrive toujours que certaines dimensions et conditions ne puissent pas être prises en compte au préalable sur l'adaptateur de réglage. Grâce au modèle 3D, nous pouvons être sûrs que tout est adapté.



Fabrication
Après l'accord d'Alfred, nous fraisons l'adaptateur tuning pour l'Alfa Romeo Alfasud avec une grande précision. Il est ensuite envoyé chez l'affineur de surface.

Photos de montage d'Alfred
Ici, tu peux voir d'autres photos de la transformation de l'Alfa Romeo Alfasud Sprint Groupe H sur les étriers de frein à 4 pistons AP Racing CP8350 avec les disques de frein Tarox C83 304x25,4mm.


Nous t'aidons aussi à trouver ta solution individuelle
Si, comme Alfred tu souhaites que nous réalisions une transformation de ton système de freinage selon tes souhaits, n'hésite pas à nous contacter via notre formulaire de contact et nous t'aiderons à réaliser ton rêve de transformation. Grâce à notre expérience de plus de 15 ans dans la fabrication de pièces de tuning, nous pouvons réaliser ta transformation rapidement et à moindre coût. Nous nous réjouissons de ta demande !
Tu souhaites avoir la même combinaison de freins pour la Alfa Romeo Alfasud Sprint Gruppe H? Dans ce cas, envoie-nous un message via notre formulaire de contact avec la référence (091491)et nous te ferons parvenir une offre pour ta fabrication spéciale.