VW Caddy 14d surélévation du tube d'essieu arrière avec frein à tambour à l'aide d'adaptateurs Epytec
Le souhait / problème du client :
Notre client Michael souhaite surélever le tube de l'essieu arrière de son VW Caddy 14d, année de construction 1991, pour l'éloigner de la route. Cela est nécessaire pour pouvoir emprunter les "simples" routes non goudronnées des hautes terres islandaises, Michael a besoin d'au moins 2 cm de garde au sol supplémentaire pour le tube d'essieu. Pour avoir un peu de réserve, il préférerait, si possible, en avoir plus. L'idéal serait de disposer de 4 cm, ce qui permettrait de compenser l'affaissement de la suspension dû au chargement de la cabine Tischer. Michael était prêt à accepter n'importe quoi au-dessus de 2 cm.
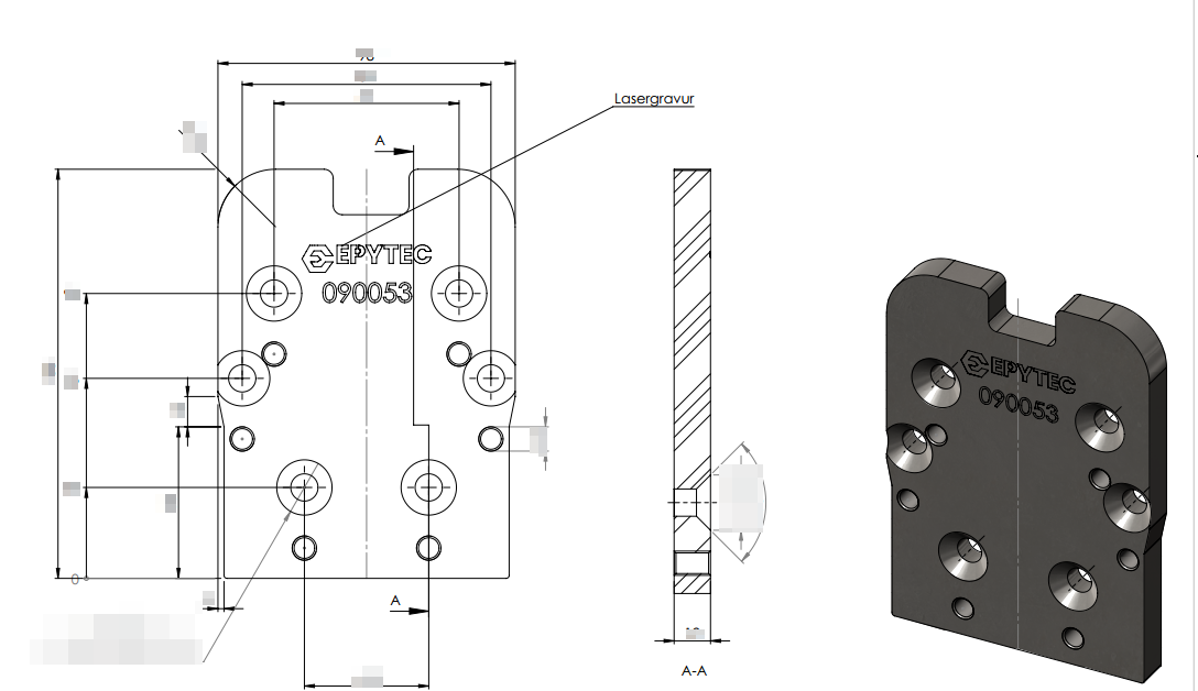
La plaque doit être placée entre l'essieu et le moyeu de roue (comme la plaque d'adaptation pour la transformation du frein à disque), mais le moyeu de roue d'origine (frein à tambour) doit être re-vissé vers le bas.
- Moyeu de roue d'origine avec frein à tambour
- Pour l'essieu arrière de la VW Caddy 14d année de construction 1991
 
                                                            
Notre mise en œuvre / solution :
Solution par la modification d'un adaptateur 597 de notre gamme :
 
                                                            Prototypage en 3-D
Fabrication
 
                                                            Montage et Test
 
                                                            Montage des plaques d'adaptation sur la Caddy 14D de VW
 
                                                            Desserrer le cache anti-poussière / l'écrou central et retirer le tambour de frein
 
                                                            Dévisser la tôle d'ancrage du frein de la fusée d'essieu (6 vis)
 
                                                            Desserrer le collier de tôle de la conduite de frein en haut sur le tube d'essieu, retirer la fusée d'essieu, soutenir complètement le frein vers le haut. La conduite de frein/le câble de frein à main peuvent rester montés > pas de purge nécessaire
 
                                                            Nettoyer le filetage + la plaque de support de l'essieu si nécessaire
 
                                                            Monter la plaque d'adaptation > respecter les couples de serrage de toutes les vis !
 
                                                            Raccourcir les vis fournies d'env. 1,5mm, remonter le frein avec la fusée d'essieu > respecter les couples de serrage des vis !
 
                                                            Contrôler la bague d'étanchéité du tambour de frein, renouveler/rafraîchir la graisse des roulements de roue.
 
                                                            Monter le tambour de frein, régler le jeu des roulements de roue, utiliser une nouvelle goupille de sécurité pour la tôle de sécurité de l'écrou central. Remettre en place le cache-poussière. Fixer à nouveau la conduite de frein sur le tube d'essieu (ici encore desserrée...)
Remonter la roue (respecter le couple de serrage) et répéter de l'autre côté .
 
                                                            Avant le montage de la plaque d'adaptation
 
                                                            Après le montage de la plaque d'adaptation
Un grand merci à Michael pour ce super projet et ces superbes instructions de montage avec photos.
 
                                                             
                                                                         
     
         
											
																																													
										 
                             
                             
                             
                             
                            