Transformation des freins de la Hyundai i30 en système de freinage AP Racing 5000 R avec une bague de friction de 330x32mm et des pots de frein / pots de disque de frein individuels
Le souhait / problème du client :
Notre client Robert souhaite monter sur sa Hyundai i30, pour la course de 24h au Nürburgring, le système de freinage suivant avec ces composants sur son essieu avant :
                                        - AP Racing Pro 5000 R Système de freinage, référence : CP9660
- Anneau de friction 330x32mm
Il faut donc fabriquer un pot de frein/un pot de disque de frein individuel, y compris un adaptateur de tuning.
 
                                                            Mesure et réalisation du dessin de l'adaptateur d'étrier de frein et des pots de disque de frein :
Notre client Robert nous a envoyé le système de freinage, les anneaux de friction et la jante, nous avons ensuite assemblé les composants une fois pour déterminer l'adaptateur de réglage et le pot de disque de frein nécessaires.
 
                                                            Dessin de l'adaptateur d'étrier de frein pour l'adaptation du système de freinage AP Racing Pro 5000 R sur la Hyundai i30 :
 
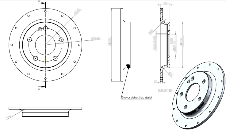
                                                            Dessin pour les pots de disque de frein / pots de frein individuels :
 
                                                            Prototypage en 3-D
Le prototype final est testé directement dans notre atelier pour voir s'il est compatible avec le système de freinage de la Hyundai i30.
Nous travaillons toujours avec un modèle 3D au préalable, car il arrive toujours que certaines dimensions et conditions ne puissent pas être prises en compte au préalable sur l'adaptateur de tuning. Grâce au modèle 3D, nous pouvons être sûrs que tout est adapté.
                                         
                                                            Fabrication
Après l'accord de Robert, nous fraisons l'adaptateur de frein pour la Hyundai i30 pour qu'il soit parfaitement adapté. Il est ensuite envoyé chez l'affineur de surface.
                                         
                                                            Montage et Test
L'adaptateur de frein est maintenant arrivé chez nous, chez le spécialiste en traitement de surface, et nous avons pu tout essayer et livrer à notre client un système de freinage génial.
 
                                                            Nous t'aidons aussi à trouver ta solution individuelle
Si, comme Robert, tu souhaites que nous réalisions une transformation de ton système de freinage selon tes souhaits, il te suffit de nous contacter via notre formulaire de contact et nous t'aiderons à concrétiser ton rêve de transformation. Grâce à notre expérience de plus de 15 ans dans la fabrication de pièces de tuning, nous pouvons réaliser ta transformation rapidement et à moindre coût. Nous nous réjouissons de ta demande ! 
Tu souhaites avoir le même système de freinage pour la Hyundai i30 ? Dans ce cas, envoie-nous un message via notre formulaire de contact avec la référence (092245) et nous te ferons parvenir une offre pour ta fabrication spéciale.
                                         
                                                                         
     
         
											
																																													
										 
                             
                             
                             
                             
                            