Transformation complète de l'Audi S1 Urquattro en système de freinage Brembo à 4 pistons avec disques de frein Brembo et pots de disque de frein / pots de frein fabriqués sur mesure.
La demande du client / le problème :
Transformation complète de l'Audi S1 Urquattro en système de freinage Brembo à 4 pistons avec disques de frein Brembo et pots de disque de frein/pots de frein fabriqués sur mesure.
Essieu avant :
                                        - Brembo Disque de frein : 300x28 mm
- Brembo étriers de frein Family A: 20.7784.10/43
- pots de disques de frein fabriqués
Essieu arrière :
- Brembo Disque de frein : 300x25 mm
- Brembo étriers de frein Family C: 20.8651.10/43
- pots de disques de frein fabriqués
 
                                                            Notre réalisation / solution :
Notre client Christian nous a envoyé les composants suivants pour la transformation de l'Audi S1 Urquattro. Nous avons alors assemblé les composants une fois pour mesurer l'adaptateur de tuning et les pots de disque de frein nécessaires. 
                                         
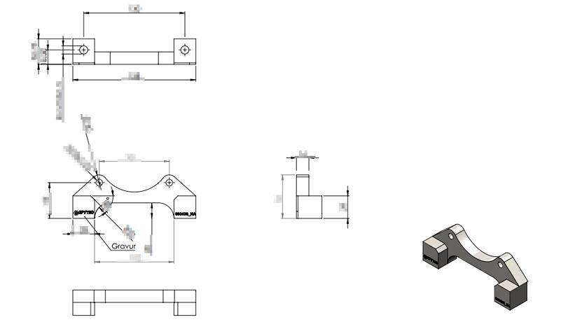
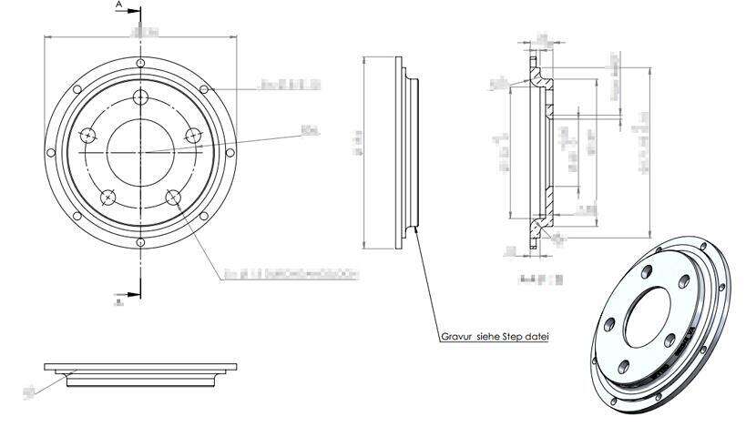
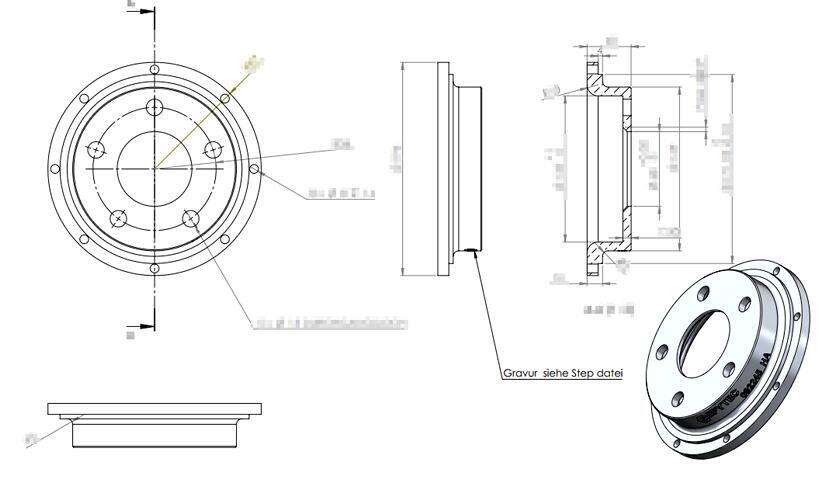
                                                            Réalisation du dessin
Adaptateur d'essieu avant et arrière de l'Audi S1 Urquattro pour le système de freinage à 4 pistons
 
                                                             
                                                            Pot de disque de frein pour l'essieu avant et arrière de l'Audi S1 Urquattro
 
                                                             
                                                            Prototypage en 3-D
Le prototype final est testé directement dans notre atelier pour vérifier s'il est compatible avec le système de freinage à 4 pistons de l'Audi S1 Urquattro.
Nous travaillons toujours avec un modèle 3D au préalable, car il arrive toujours que certaines dimensions et conditions ne puissent pas être prises en compte au préalable sur l'adaptateur de tuning. Grâce au modèle 3D, nous pouvons être sûrs que tout est adapté.
                                         
                                                             
                                                             
                                                            Fabrication
Après avoir vérifié la précision d'ajustage dans notre atelier, nous fraisons les adaptateurs de tuning et les pots de disque de frein pour l'Audi S1 Urquattro. Ensuite, nous les envoyons chez l'affineur de surface.
 
                                                             
                                                             
                                                            Montage et Test
Les adaptateurs de freins Tuning sont arrivés chez nous, chez l'affineur de surface, nous avons pu tout monter à l'essai et livrer à Christian un système de freinage génial.
 
                                                             
                                                             
                                                             
                                                            Nous t'aidons aussi à trouver ta solution individuelle
Si, comme Christian tu souhaites que nous réalisions une transformation de ton système de freinage selon tes souhaits, n'hésite pas à nous contacter via notre formulaire de contact et nous t'aiderons à réaliser ton rêve de transformation. Grâce à notre expérience de plus de 15 ans dans la fabrication de pièces de tuning, nous pouvons réaliser ta transformation rapidement et à moindre coût. Nous nous réjouissons de ta demande ! 
Tu souhaites avoir la même combinaison de freins pour l'Audi S1 Urquattro ? Dans ce cas, envoie-nous un message via notre formulaire de contact avec la référence (093436) et nous te ferons parvenir une offre pour ta fabrication spéciale.
                                         
                                                                         
     
         
											
																																													
										 
                             
                             
                             
                             
                            