VW Golf III GTI 16V Umbau auf die 4-Kolben AP Racing Bremssättel mit 295x28mm Bremsscheibe
Der Kundenwunsch / Problem:
- AP-Racing Bremsscheibe 295x28mm, Teilenummer CP 3047-233G8
- AP 4-Kolben Racing Bremssattel, Teilenummer CP 3720

Unsere Umsetzung / Lösung:
- Christian hat über unseren Bremssattelkonfigurator bestellt
- In unserem Bremssattelkonfigurator erfährst du, wie du Schritt für Schritt zu deiner Sonderanfertigung kommst
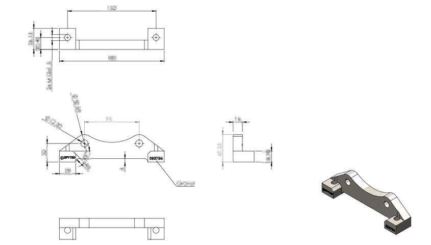
- Anhand der eingetragenen Maße wird mit unserem 3D-Drucker ein Prototyp erzeugt. Dadurch erspart sich Christian das Geld für eine CAD-Zeichnung.

3-D Prototyping
Der fertige Prototyp geht vorab zu Christian, damit getestet werden kann ob alles passgenau ist und die Bremsanlage am VW Ralley Golf 3 GTI 16V passt. Christian teilte uns noch mit, das 1-2 kleine Veränderungen am Tuning Adapter vorgenommen werden müssen, damit alles zu 100% passt.

Fertigung

Einbaubilder von Christian





Wir helfen auch dir bei deiner individuellen Lösung
Hier kannst du dir schnell und einfach deine Sonderanfertigung selbst konfigurieren
- ✓ Bremssattel Adapter Sonderanfertigung
- ✓ für Vorderachse und Hinterachse
- ✓ Angaben zum Fahrzeug
- ✓ Wunschmaße
- ✓ schnell konfigurierbar
- ✓ Länge, Farbe und Anschlüsse frei wählbar
- ✓ zum selber Konfigurieren
- ✓ mit TÜV Gutachten
- ✓ beste Qualität
- ✓ Zentrierring exclusive und individuelle Sonderanfertigung
- ✓ Ringe aus hochfestem Stahl