VW Caddy 14d Hochlegung des Hinterachsrohrs mit Trommelbremse mit Hilfe von Epytec-Adaptern
Der Kundenwunsch / Problem:
Unser Kunde Michael möchte an seinem VW Caddy 14d Baujahr 1991 das Hinterachsrohr höher von der Straße wegbekommen. Dies ist nötig um die „einfachen“ unbefestigten Routen im isländischen Hochland fahren zu können, Michael benötigt mindestens 2 cm mehr Bodenfreiheit des Achsrohrs. Um etwas Reserve zu haben wären ihm, falls möglich, aber eher mehr lieber. Perfekt wären 4 cm, dann wäre das Einsinken der Federung durch die beladene Tischer-Wohnkabine ausgeglichen. Michael war bereit alles über 2cm zu nehmen.
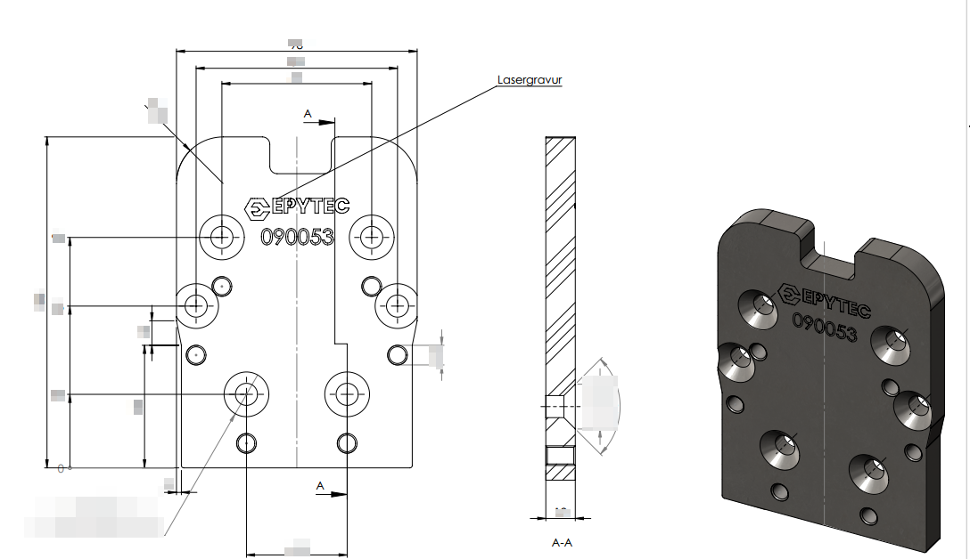
Die Platte soll (ähnlich wie die Adapterplatte für den Scheibenbremsumbau) zwischen Achse und Radnabe, nur soll die originale Radnabe (Trommelbremse) versetzt nach unten wieder festgeschraubt werden.
- Originale Radnabe mit Trommelbremse
- Für die Hinterachse des VW Caddy 14d Baujahr 1991

Unsere Umsetzung / Lösung:
Lösung durch Änderung eines Adapters 597 aus unserem Sortiment:

3-D Prototyping
Fertigung

Montage und Test

Montage der Adapterplatten am VW Caddy 14D

Staubschutzkappe /Zentralmutter lösen und Bremstrommel abnehmen.

Bremsankerblech Achszapfen abschrauben (6 Schrauben)

Blechschelle der Bremsleitung oben am Achsrohr lösen, Achszapfen entnehmen, Bremse komplett nach oben abstützen. Bremsleitung/Handbremsseil kann montiert bleiben > kein Entlüften notwendig

Gewinde +Trägerplatte der Achse bei Bedarf reinigen

Adapterplatte montieren > Anzugsdrehmomente aller Schrauben beachten!

Die mitgelieferten Schrauben um ca. 1,5mm kürzen, Bremse mit Achszapfen wieder montieren > Anzugsdrehmomente der Schrauben beachten!

Dichtring Bremstrommel prüfen, Fett der Radlager erneuern/auffrischen.

Bremstrommel montieren, Radlagerspiel einstellen, neuen Sicherungssplint für Sicherungsblech der Zentralmutter verwenden. Staubschutzkappe wieder anbringen. Bremsleitung am Achsrohr wieder befestigen (hier noch lose…)
Rad wieder montieren (Anzugsdrehmoment beachten) und an der anderen Seite wiederholen .

Vor Montage der Adapterplatte

Nach Montage der Adapterplatte
Vielen Dank an Michael für das tolle Projekt und die geile Einbauanleitung mit Bildern.

Wir helfen auch dir bei deiner individuellen Lösung
Hier kannst du dir schnell und einfach deine Sonderanfertigung selbst konfigurieren
- ✓ Bremssattel Adapter Sonderanfertigung
- ✓ für Vorderachse und Hinterachse
- ✓ Angaben zum Fahrzeug
- ✓ Wunschmaße
- ✓ schnell konfigurierbar
- ✓ Länge, Farbe und Anschlüsse frei wählbar
- ✓ zum selber Konfigurieren
- ✓ mit TÜV Gutachten
- ✓ beste Qualität
- ✓ Zentrierring exclusive und individuelle Sonderanfertigung
- ✓ Ringe aus hochfestem Stahl