Mercedes Benz W203 komplett Tuning Umbau auf Keramik Bremsscheiben und Alfa Romeo Bremssättel (100598)
Der Kundenwunsch / Problem:
- 390x36mm Keramikbremsscheibe
- Alfa Romeo Brembo Bremssättel: 20a.30706
- 356x28mm Keramikbremsscheibe
- Alfa Romeo Brembo Bremssättel: 20C33403
An der Hinterachse müssen zusätzlich noch individuelle Bremstöpfe gefertigt werden, da der Bremstopf tiefer sein muss, damit die Handbremse des Mercedes Benz W203 weiterhin funktionsfähig ist.

Unsere Umsetzung / Lösung:
- Unser Kunde Paul hat uns seine Vorder- und Hinterachse inklusiver aller Keramikbremsscheiben und Alfa Romeo Bremssätteln geschickt. Daraufhin haben wir die Komponenten einmal zusammengesteckt um die benötigten Tuning Adapter für seine Bremsanlage zu ermitteln.
- Zeichnung Tuning Adapter Vorderachse:

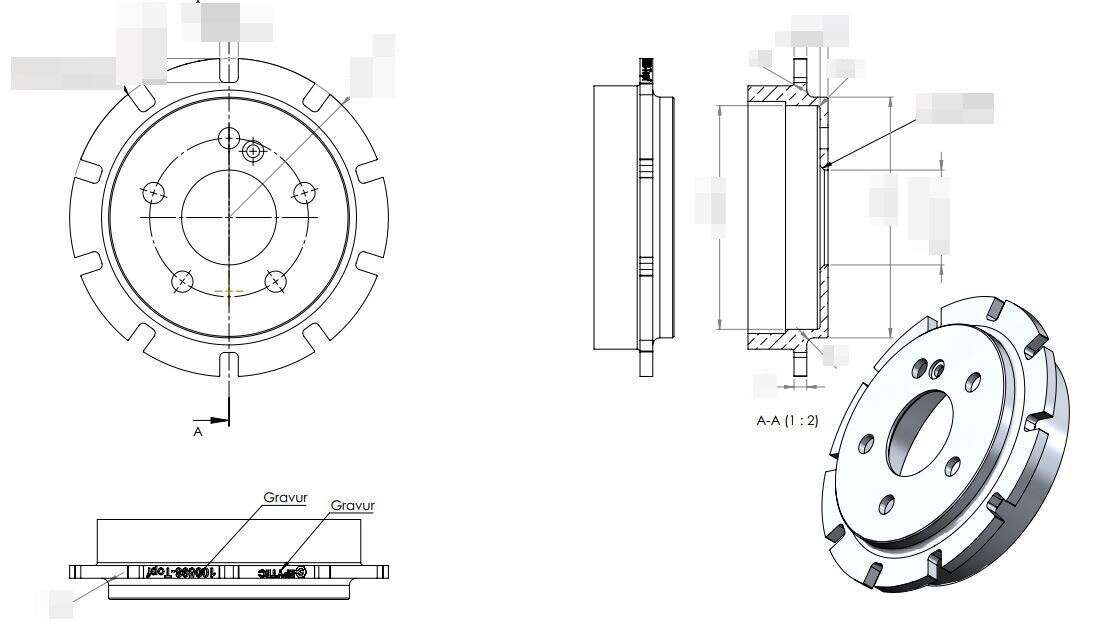
Zeichnung Tuning Adapter Hinterachse und Bremsscheibentopf:


3-D Prototyping

Test an der Hinterachse des Mercedes Benz W203 mit der Alfa Romeo Bremsanlage und der 356x28mm Keramikbremsscheibe inklusive Bremsscheibentopf



Fertigung

Montage und Test
Die Bremssattel Tuning Adapter sind jetzt bei uns vom Oberflächenveredler angekommen und wir konnten alles probemontieren und Paul einen geilen Bremsenumbau für seine Vorder- und Hinterachse ausliefern.
Hier siehst du einmal die Montage der Vorderachse des W203 mit den Alfa Romeo Bremssättel und der 390x36mm Keramikbremsscheibe.


Hier siehst du einmal die Montage an der Hinterachse des W203 mit den Alfa Romeo Bremssättel und der 356x28mm Keramikbremsscheibe mit individuellen Bremsscheibentöpfen.





Wir helfen auch dir bei deiner individuellen Lösung
Hier kannst du dir schnell und einfach deine Sonderanfertigung selbst konfigurieren
- ✓ Bremssattel Adapter Sonderanfertigung
- ✓ für Vorderachse und Hinterachse
- ✓ Angaben zum Fahrzeug
- ✓ Wunschmaße
- ✓ schnell konfigurierbar
- ✓ Länge, Farbe und Anschlüsse frei wählbar
- ✓ zum selber Konfigurieren
- ✓ mit TÜV Gutachten
- ✓ beste Qualität
- ✓ Zentrierring exclusive und individuelle Sonderanfertigung
- ✓ Ringe aus hochfestem Stahl