Hyundai i30 Bremsenumbau auf die AP Racing 5000 R Bremsanlage mit einem 330x32mm Reibring und individuellen Bremstöpfen / Bremscheibentöpfen
Der Kundenwunsch / Problem:
- AP Racing Pro 5000 R Bremsanlage, Teile-Nr: CP9660
- Reibring 330x32mm

Vermessung und Zeichnungserstellung des Bremssatteladapters und der Bremsscheibentöpfe:
Unser Kunde Robert hat uns die Bremsanlage, Reibringe und die Felge zugesandt, daraufhin haben wir die Komponenten einmal zusammengesteckt um den benötigten Tuning Adapter und Bremsscheibentopf zu ermitteln

Zeichnung des Bremssattel Adapters zur Adaptierung der AP Racing Pro 5000 R Bremsanlage auf den Hyundai i30:

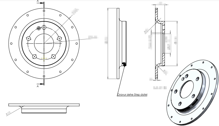
Zeichnung für die individuellen Bremsscheibentöpfe / Bremsentöpfe:

3-D Prototyping

Fertigung

Montage und Test

Wir helfen auch dir bei deiner individuellen Lösung
Hier kannst du dir schnell und einfach deine Sonderanfertigung selbst konfigurieren
- ✓ Bremssattel Adapter Sonderanfertigung
- ✓ für Vorderachse und Hinterachse
- ✓ Angaben zum Fahrzeug
- ✓ Wunschmaße
- ✓ schnell konfigurierbar
- ✓ Länge, Farbe und Anschlüsse frei wählbar
- ✓ zum selber Konfigurieren
- ✓ mit TÜV Gutachten
- ✓ beste Qualität
- ✓ Zentrierring exclusive und individuelle Sonderanfertigung
- ✓ Ringe aus hochfestem Stahl