Audi Urquattro Typ 85 Umbau auf die Audi TTRS RS3 4-Kolben Bremssättel mit der Mercedes GLA 250 320x30mm Bremsscheibe
Der Kundenwunsch / Problem:
Unser Kunde Florian möchte an seinem Audi Urquattro Typ 85 folgende Komponenten an der Vorderachse verbauen:
- Audi TTRS RS3 4-Kolben Bremssättel (8J0 615 107 / 8J0 615 108)
- Mercedes GLA 250 320x30mm Bremsscheibe (246 421 2712)

Unsere Umsetzung / Lösung:
- Unser Kunde Florian hat über unseren Bremssattelkonfigurator bestellt. Hier erfährst du, wie du Schritt für Schritt zu deiner Sonderanfertigung kommst.
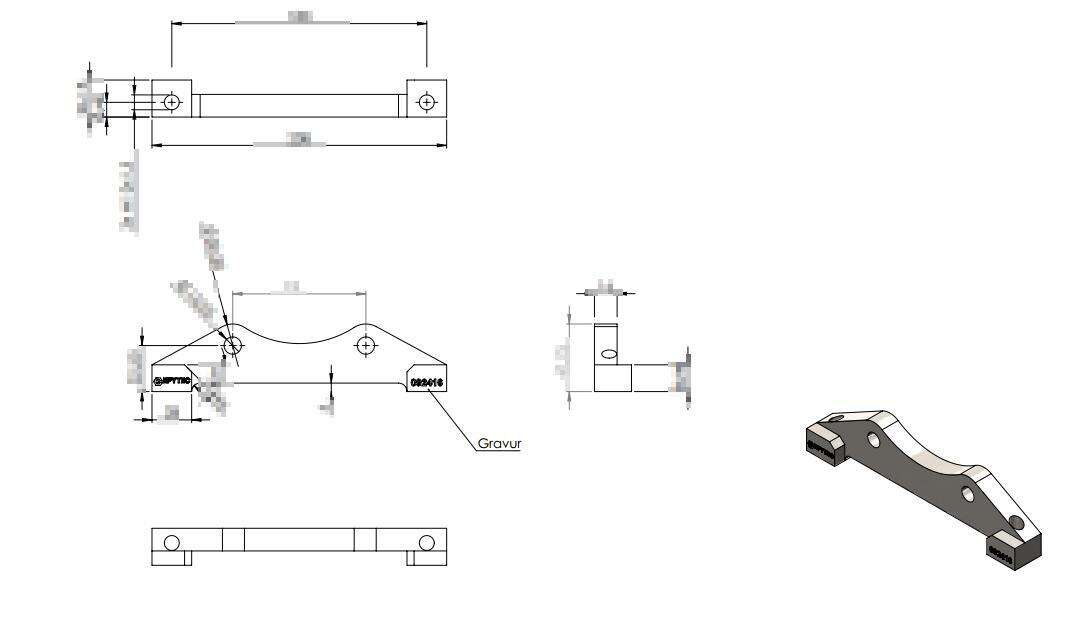
- Anhand der eingetragenen Maße wird mit unserem 3D-Drucker ein Prototyp erzeugt. Dadurch erspart sich Florian das Geld für eine CAD-Zeichnung.

3-D Prototyping
Der fertige Prototyp geht vorab zu Florian, damit getestet werden kann ob alles passgenau ist und die Bremsanlage am Audi Urquattro passt. Florian teilte uns noch mit, das 1-2 kleine Veränderungen am Tuning Adapter vorgenommen werden müssen, damit alles zu 100% passt.

Fertigung
Nach Freigabe von Florian fräsen wir den Bremsen Tuning Adapter für den Audi Urquattro jetzt passgenau. Anschließend wird dieser zum Oberflächenveredler gefahren.

Montage und Test
Der Bremsen Tuning Adapter ist vom Oberflächenveredler zurück bei uns angekommen und wurde direkt zu Florian geschickt.

Wir helfen auch dir bei deiner individuellen Lösung
Hier kannst du dir schnell und einfach deine Sonderanfertigung selbst konfigurieren
- ✓ Bremssattel Adapter Sonderanfertigung
- ✓ für Vorderachse und Hinterachse
- ✓ Angaben zum Fahrzeug
- ✓ Wunschmaße
- ✓ schnell konfigurierbar
- ✓ Länge, Farbe und Anschlüsse frei wählbar
- ✓ zum selber Konfigurieren
- ✓ mit TÜV Gutachten
- ✓ beste Qualität
- ✓ Zentrierring exclusive und individuelle Sonderanfertigung
- ✓ Ringe aus hochfestem Stahl