Audi S1 Urquattro Komplettumbau auf die 4-Kolben Brembo Bremsanlage mit Brembo Bremsscheiben und angefertigten Bremsscheibentöpfe / Bremstöpfe
Der Kundenwunsch / Problem:
- Brembo Bremsscheibe: 300x28 mm
- Brembo Bremssättel Family A: 20.7784.10/43
- angefertigte Bremsscheibentöpfe
- Brembo Bremsscheibe: 300x25 mm
- Brembo Bremssättel Family C: 20.8651.10/43
- angefertigte Bremsscheibentöpfe

Unsere Umsetzung / Lösung:

Zeichnungserstellung
Vorder- und Hinterachsadapter des Audi S1 Urquattro für die 4-Kolben Bremsanlage


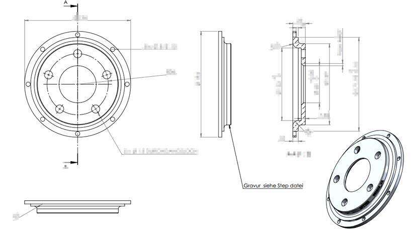
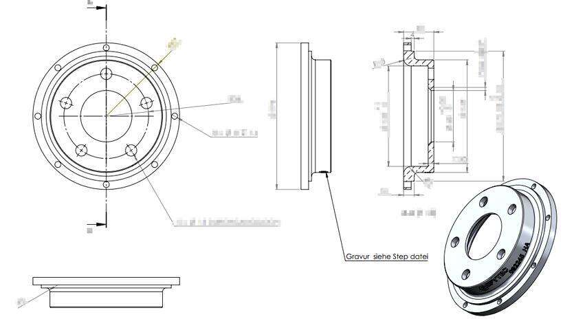
Bremsscheibentopf für die Vorder- und Hinterachse des Audi S1 Urquattro


3-D Prototyping



Fertigung



Montage und Test




Wir helfen auch dir bei deiner individuellen Lösung
Hier kannst du dir schnell und einfach deine Sonderanfertigung selbst konfigurieren
- ✓ Bremssattel Adapter Sonderanfertigung
- ✓ für Vorderachse und Hinterachse
- ✓ Angaben zum Fahrzeug
- ✓ Wunschmaße
- ✓ schnell konfigurierbar
- ✓ Länge, Farbe und Anschlüsse frei wählbar
- ✓ zum selber Konfigurieren
- ✓ mit TÜV Gutachten
- ✓ beste Qualität
- ✓ Zentrierring exclusive und individuelle Sonderanfertigung
- ✓ Ringe aus hochfestem Stahl