Alfa Romeo Alfasud Sprint Gruppe H Umbau auf den 4-Kolben AP Racing CP8350 Bremssattel mit der Tarox C83 304x25,4mm Bremsscheibe
Der Kundenwunsch / Problem:
- Tarox C83 Bremsscheibe 304x25,4mm (schwimmend gelagerte Reibringe, mit Alu Töpfen)
- 4-Kolben Bremssattel AP Racing CP8350
Dadurch, dass die Bremse, welche serienmäßig innen am Getriebe (Frontantrieb, Motor und Getriebe längs eingebaut) ist, an das Rad lenkt, werden die Serien-Querlenker, durch einstellbare Rohrlenker aus Chrom-Molybdän mit Uniball-Gelenken ersetzt. Zusätzlich müssen die Radnaben und Antriebswellen vom Alfa Romeo 33 verwendet werden.
Als Felgen sind dreiteilige NTM F308 in 8x15 für die Slicks und einteilige ATS DTC in 8x15 für die Regenreifen geplant.
Ausgangssituation:



Unsere Umsetzung / Lösung durch unseren Bremssattelkonfigurator:
- In unserem Bremssattelkonfigurator erfährst du, wie du Schritt für Schritt zu deiner Sonderanfertigung kommst.
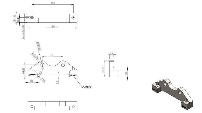
- Anhand der eingetragenen Maße wird mit unserem 3D-Drucker ein Prototyp erzeugt. Dadurch erspart sich Alfred das Geld für eine CAD-Zeichnung.

3-D Prototyping



Fertigung

Einbaubilder von Alfred


Wir helfen auch dir bei deiner individuellen Lösung
Hier kannst du dir schnell und einfach deine Sonderanfertigung selbst konfigurieren
- ✓ Bremssattel Adapter Sonderanfertigung
- ✓ für Vorderachse und Hinterachse
- ✓ Angaben zum Fahrzeug
- ✓ Wunschmaße
- ✓ schnell konfigurierbar
- ✓ Länge, Farbe und Anschlüsse frei wählbar
- ✓ zum selber Konfigurieren
- ✓ mit TÜV Gutachten
- ✓ beste Qualität
- ✓ Zentrierring exclusive und individuelle Sonderanfertigung
- ✓ Ringe aus hochfestem Stahl