Opel Vivaro adapter tuning to Porsche 4-piston brake system with 350x32 brake discs (071654)
You want to convert to a larger brake system, but can't find a way to adapt your desired system or don't know if it's even possible?
Here you can find out how we can assist you! I would like to tell you the story of our customer Dietmar, who we were able to help to drive his dream brake system thanks to our adapters :)
Dietmar now drives a complete 4-piston Porsche brake system with 350x32 brake discs on his Opel Vivaro.
Planinng
Conversion to Porsche 4-piston caliper with 350x32 brake discs as well as steel braided lines, on an Opel Vivaro.
Dietmar contacted us and wanted to know if we could support him with his conversion.
He told us the exact components he intended to install. After a short time it was clear that we could fully support Dietmar in his project and that nothing stood in the way of his idea of 4-piston Porsche brake callipers.
As Dietmar himself owns a car workshop, it was no problem for him (it's really not witchcraft!) to determine the required dimensions, which we needed for the production of the adapter.
Once this was done, nothing stood in the way of the whole project.
During the conversation it became clear that it would make sense to change to steel braided lines in the course of the conversion, as these are simply better and more durable.
Dietmar agreed and ordered 2 custom-made steel braided brake lines.
Click here to go directly to our steel braided brake lines configurator.
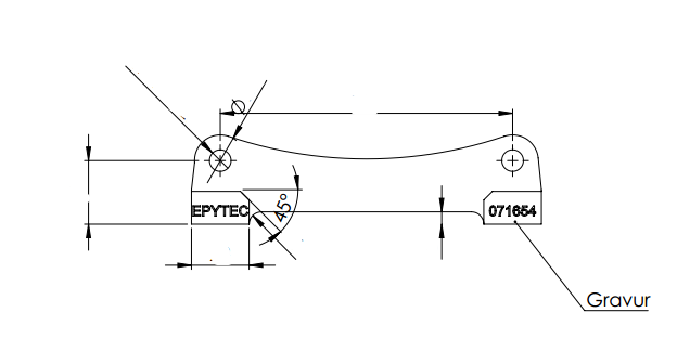
Sketch:
CAD-drawing
After we received the sketch (our dimension sheet) for the Opel Vivaro from Dietmar, our technical designer Julian transferred the project into the CAD programme so that he could configure the 3-D printer.

3-D modell
After that we could start with the production of the 3-D model and send it directly to Austria for test assembly.
After a few days, Dietmar gave us the go-ahead to mill the tuning adapters, as the 3-D model fitted perfectly.


Since the cooperation went so well, Didi's Autoecke is now our official registration partner, so feel free to visit him if you have any questions. We are looking forward to more great projects together :)
Inh. Dietmar Weiß Zöbing 81/1 A-8322 Studenzen
Tel. +43/3115/4908
Fax +43/3115/49080
Mobil: +43/664/3206053
Email: office@didisautoecke.at
Web: www.didisautoecke.at